지난 10월 7일, 스웨덴 왕립 과학 한림원 노벨 위원회는 "전기 회로에서 거시적 양자역학적 터널링과 에너지 양자화를 발견한 공로"로 ▲존 클라크(캘리포니아 대학교 버클리) ▲미셸 H. 드보레(예일 대학교 및 캘리포니아 대학교 산타바바라) ▲존 M. 마티니스(캘리포니아 대학교 산타바바라 및 Qolab)에게 2025년 노벨 물리학상을 수여한다고 발표했다.

양자역학 현상이 원자나 전자 수준 미시 세계를 넘어 거시 상태에서도 관찰된다는 발견은 이론 물리학에서 중요한 의미를 갖는다. 더 나아가 이 연구는 현대 양자 기술 핵심 토대로서 실용 가치도 크다. 수상자들이 증명한 초전도 회로 양자화 에너지 준위는 양자 컴퓨터 정보 단위인 양자비트(Qubit)로 활용된다. 이는 다른 양자 시스템을 시뮬레이션하는 도구이자 미래 양자 컴퓨터 구축을 위한 유망한 기술로 전 세계에서 활발히 연구되고 있다.
노벨상이 노벨상을 낳다
2025년 노벨 물리학상은 한 세기에 걸친 양자역학 연구의 정점을 보여주는 사례다. 1933년 에르빈 슈뢰딩거가 슈뢰딩거 방정식으로 노벨상을 받은 지 92년 만에, 그의 방정식이 예측한 양자 터널링 현상이 거시 세계에서도 나타남을 증명한 연구가 노벨상을 받은 것이다.
이번 수상으로 이어진 ‘양자 터널링’의 노벨상 계보는 깊다. 1972년 ▲존 바딘 ▲레온 쿠퍼 ▲로버트 슈리퍼는 초전도체에서 전자 두 개가 쌍을 이루는 쿠퍼쌍(Cooper pairs) 메커니즘을 밝혀 노벨상을 받았다.

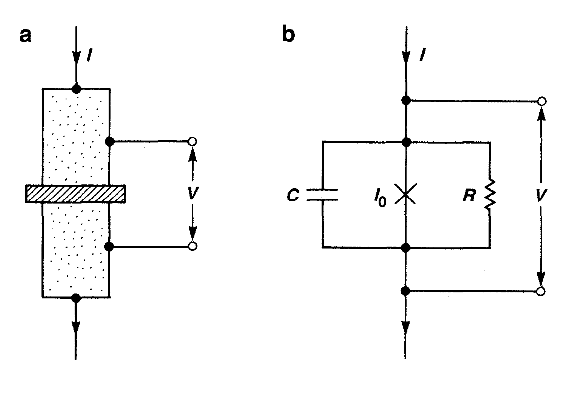
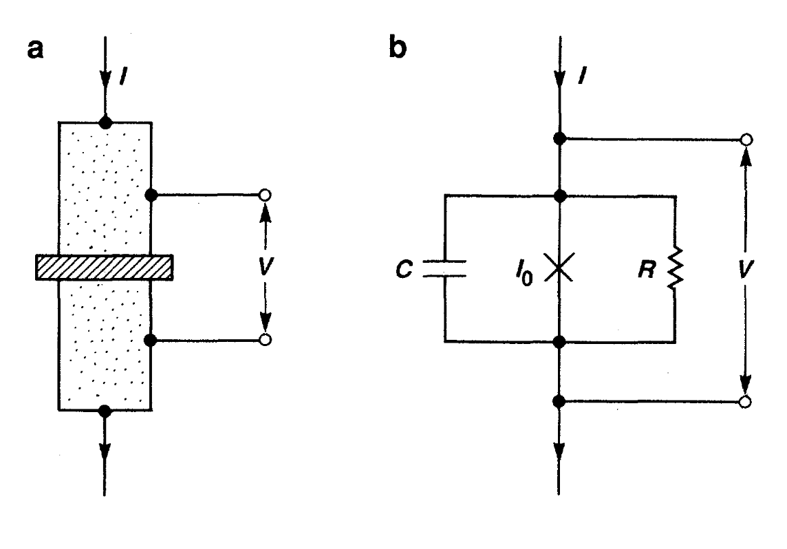
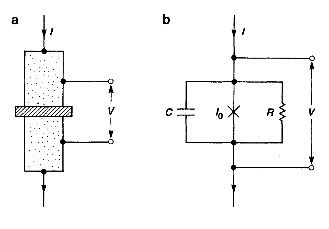
이어 1973년에는 ▲레오 에사키 ▲이바르 예베르 ▲브라이언 조지프슨이 전자 터널링 현상 연구로 노벨상을 받았다. 특히 조지프슨은 조지프슨 접합(Josephson junction)이라고 불리는 두 초전도체 사이 얇은 절연층을 끼운 회로에서 쿠퍼쌍이 절연층을 터널링으로 통과할 수 있다는 이론을 제시했다. 2025년 노벨상 수상자들은 조지프슨 접합에서 거시적 양자 터널링을 실험으로 증명했다.
양자 터널링, 뭘 뚫고 지나간다는 뜻일까?
양자 터널링은 물체가 양자 특성을 가질 때, 고전적으로는 넘을 수 없는 에너지 장벽을 일정 확률로 통과하는 현상이다. 이 현상은 슈뢰딩거 방정식으로 설명되고 예측된다. 슈뢰딩거 방정식을 이용하면 특정 에너지 지형에서 물체의 파동 함수를 구할 수 있다. 파동 함수는 물체가 어떤 위치나 상태에 있을 확률 정보를 담고 있으며, 그 절댓값의 제곱이 클수록 확률이 높아진다.
물체가 고전적으로 움직일 때는 자신이 가진 총 에너지보다 큰 에너지 장벽을 넘을 수 없다. U자형 레일 위에 정지한 구슬을 놓으면, 구슬은 미끄러져 내려간 후 반대편으로 올라가다가 처음 높이에 도달하면 멈춘다. 그리고 더 높이 올라가지 못한 채 반대로 미끄러져 내려온다. 구슬이 가진 총 에너지는 시작 높이의 포텐셜 에너지만큼이므로, 그보다 높은 에너지 장벽을 넘지 못하는 것이다.

그러나 양자역학을 따르면 사정이 다르다. 입자가 가진 총 에너지가 에너지 장벽보다 작아도 통과할 수 있다. 슈뢰딩거 방정식을 풀면, 위치에 대한 파동 함수는 에너지 장벽 내부에서 급격히 작아지다가 장벽 너머에서 다시 나타난다. 장벽 폭과 높이에 따라 확률은 달라지지만, 어쨌든 장벽 너머에 입자가 나타날 확률이 있다는 뜻이다.

거시 세계에서도 양자 터널링이 일어날 줄이야
슈뢰딩거가 생각할 당시에만 해도, 양자 터널링은 원자나 전자 수준의 작은 입자에만 나타나는 것으로 여겨졌다. 여러 입자가 모여 거시 시스템이 되면 양자 효과가 사라지고 고전역학을 따르기 때문이다. 그러나 이번 노벨상 수상자들은 이 예상을 깨고, 1cm 단위로 눈에 보이는 크기의 회로 속 전자 전체가 양자역학적 터널링을 보인다는 사실을 밝혀냈다.
수상자들이 연구한 조지프슨 접합은 전압이 없는 상태와 전압이 있는 상태, 두 가지 상태를 가진다. 전압이 없는 상태에서 전압이 있는 상태로 전환하려면 에너지 장벽을 넘어야 한다. 고전역학에 따르면 회로에 충분한 에너지를 공급해야만 이 장벽을 넘어 상태가 전환될 수 있다. 하지만 수상자들은 극저온에서 충분한 에너지를 공급하지 않았는데도 회로 상태가 전환되는 현상을 관측했다.
에너지 빨래판 위에서 양자역학적으로 탈출하다
조지프슨 접합에서 핵심 변수는 두 초전도체 쿠퍼쌍 파동함수의 위상차이다. 위상은 파동이 진동하는 단계를 나타내는 양으로, 두 초전도체의 위상이 얼마나 어긋나 있는지가 접합을 통과하는 전류를 결정한다. 더욱 중요한 것은 위상차와 전압의 관계다. 조지프슨이 세운 방정식에 따르면 위상차가 시간에 따라 변해야 전압이 생긴다.
조지프슨의 방정식을 풀면 위상차에 따른 포텐셜 에너지를 구할 수 있으며, 이를 그래프로 그리면 기울어진 빨래판 모양이다. 일정 간격마다 골짜기(지역적 에너지 극소점)가 있는 형태이다.

만약 회로가 이 에너지 골짜기 하나에 갇혀 있으면, 평균적으로 위상차는 변하지 않고 진동만 한다. 따라서 전압이 발생하지 않는다. 반대로 회로의 상태가 골짜기에서 탈출한다면, 위상차가 변화할 수 있으므로 전압이 발생한다.
고전역학을 따르면 에너지가 충분하지 않을 시 골짜기에서 탈출할 수 없다. 그러나 양자역학에서는 입자가 에너지 장벽을 터널링으로 통과할 수 있다. 수상자들은 이 터널링 현상으로 인해 위상차가 시간에 따라 변하면서 전압이 발생하는 상태를 관측한 것이다.
연구실 동료와 노벨상 수상식에서 함께
세 수상자의 인연은 1980년대 중반 UC 버클리 존 클라크 연구실에서 시작됐다. 클라크는 1968년 케임브리지 대학교에서 박사 학위를 받은 후 UC 버클리로 옮겨 초전도체와 조지프슨 접합 연구 그룹을 이끌고 있었다. 1980년대 중반, 파리에서 박사 학위를 받은 미셸 드보레가 박사후연구원으로, 존 마티니스가 박사과정 학생으로 이 연구실에 합류했다.

세 사람은 함께 거시적 양자 터널링을 증명하는 도전에 나섰다. 실험 장치를 모든 외부 간섭으로부터 차단하고, 회로의 모든 특성을 정밀하게 측정하는 데 막대한 노력과 정성이 필요했다. 그들은 전기 회로의 특성을 세밀하게 이해하고 측정하는 데 성공했고, 마침내 거시적 양자 터널링을 입증했다. 40년이 지난 지금, 당시 함께 연구했던 세 사람은 나란히 노벨상을 받는 영예를 안았다.
슈뢰딩거 방정식이 고안된 당시, 양자 역학은 원자 단위 크기에서만 적용할 수 있는 기묘한 이론으로 여겨졌다. 그러나 약 100년이 지난 지금, 양자 터널링은 눈에 보이는 회로에서도 일어나며 양자 컴퓨팅의 핵심 기술이 되었다. 이번 노벨 물리학상은 양자역학에 대한 이해가 미시 세계를 넘어서 거시 세계로, 이론을 넘어서 실용으로 확장되었음을 증명한다.
김신지 기자 sjneuroneurony@dgist.ac.kr
'학술' 카테고리의 다른 글
| [디지에 이런 랩실이?] 숨겨진 수학 지식을 채굴하는 사람들이 모인 곳 : 한강진 교수의 ’텐서들의 공간의 대수와 기하에 대한 연구 및 응용 연구실’ (0) | 2025.11.25 |
|---|---|
| [2025 노벨 생리의학상] 면역의 자기 억제 원리를 밝히다 – 조절 T세포와 FOXP3의 발견 (0) | 2025.11.18 |
| 제27회 DLS: 2024 노벨생리의학상 수상자 빅터 앰브로스 교수 초청 강연 (0) | 2025.02.17 |
| [2024 노벨 물리학상] 인공 신경망의 이론적 기반 발명, 그 배경의 학제적 연구 (0) | 2024.11.20 |
| [2024 노벨 화학상] 인공지능을 이용한 단백질 구조 예측 (0) | 2024.11.19 |